 
			
 
 咨詢熱線
0757-82255905在實際生產中,由于不銹鋼材質本身的特殊性,如果掌握不了不銹鋼制品管的特性,在切削過程中不僅得不到理想的加工質量,而且還會大量損失刀具。下面,佛山罡正不銹鋼帶你了解影響不銹鋼制品管可切削性的因素。
 
 
1、材質韌性高
雖然不銹鋼制品管的單項機械性能(如抗拉強度)不高,但其綜合機械性能卻很高,這是影響其可切削性的主要因素之一。在金屬材料的切削過程中,切屑的切除主要經過擠壓—塑性變形—斷裂等階段。但由于不銹鋼精密管的延伸率、收縮率和沖擊值均較高,其切屑的形成過程不易按照上述階段順序進行。
因此,要實現切屑高效切除就必須消耗更多的能量,如切除相同體積的奧氏體不銹鋼切屑所消耗的能量要比常規的低碳鋼高出約60%。管材切削過程中所消耗的能量大部分以熱能的形式消耗,進一步軟化了切屑,表現出高韌性和難斷屑的特點。
2、高溫機械性能強
通常常規鋼管在切削溫度載荷作用下,切屑根部的強度和硬度會隨溫度的上升而顯著下降,使切屑容易被切除。然而,優異的高溫硬度和高溫強度是不銹鋼管的另一個特性,如奧氏體類不銹鋼在800℃條件下機械性能仍沒有降低,所以切屑不易被刀具切除,易引起刀具崩刃或磨損(見圖1)。
 
 
3、粘性大
由于不銹鋼精密管的高溫韌性大,又富含Cr、Ni等親鐵元素,對含Co元素的硬質合金刀具的親和性強。因此,切削過程中工件—刀具—切屑接觸面存在很高的機械、溫度、速度載荷,在一定熱—力耦合的作用下易產生刀—屑粘結現象(見圖2)。
4、導熱性差
由于元素種類的特殊性,不銹鋼焊管的導熱能力較差。與45號優質碳素鋼對比,馬氏體和鐵素體不銹鋼的導熱性只有它的45%左右,奧氏體不銹鋼更是只有它的28%。因此,切削過程中在刀—屑區域易形成大量的熱堆積,從而引起刀具材料的軟化而加速其失效。
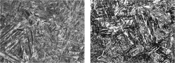
5、硬質點多
奧氏體不銹鋼00Cr20Ni25M經過淬火處理后,其結晶顆粒約為5級(見左圖)。金相組織是奧氏體和鐵素體,并有部分TiC顆粒。馬氏體不銹鋼3Cr13金相組織為珠光體,調質處理后材質中的金相為馬氏體與珠光體,并有部分碳化物(見右圖)。碳化物的硬度較高,切削過程中易引起刀具的崩刃。
 
 
6、加工硬化
精密不銹鋼管切削過程中,切削區域發生塑性變形,材質中結晶顆粒發生滑移,硬度顯著上升,這就是加工硬化現象。因此,在前一道工序產生的加工硬化會增加后續進一步切削的難度,硬化層的存在更容易引起刀具破損。
針對不銹鋼制品管的切削特點,欲實現對其高品質加工應改善其可切削性。通常有以下兩種途徑:
(1)采用適當的熱處理方式或改變工件材質成分來提高其可切削性能;
(2)采用改善切削條件的方式,使切削加工容易進行。例如,采用合適的刀具構型、刀具材質、冷卻液以及機床等。
 
 
以上就是影響不銹鋼制品管可切削性的因素了。影響的因素有材質韌性高、高溫機械性能強、粘性大、導熱性差、硬質點多、加工硬化。因此,不銹鋼制品管在進行切削加工時,需要采取措施解決這些問題。

版權所有? 佛山市罡正管業科技有限公司 粵ICP備19066789號-1
電話:0757-82255905 手機:139-2315-7588 聯系人:陳先生
傳真: QQ:435562665 郵箱:435562665@qq.com
地址:佛山市三水區西南街道洲邊五村進港大道側和坑1號2座
 
				 
			